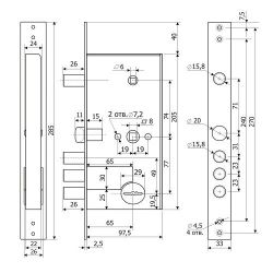
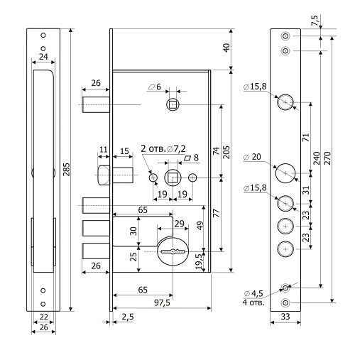
Замок врезной сувальдный ЗВ 5015 с защелкой и задвижкой предназначен для установки в металлические двери, шкафы и сейфы. Универсальные - переворот защелки без разборки замка. Бронепластина надежно защищает от высверливания. Повышенная защита от наиболее распространенных методов вскрытия: самоимпрессии (самоноборного ключа) - втулка на корпусе и крышке замка; отмычки - ложные пазы на стойке и сувальдах, увеличенная жесткость пружин сувальд; "свертыша" - ослабленный зуб рейки хвостовика; взлома - при полностью выдвинутых ригелях замка 30% их длины остается в корпусе замка, усилена конструкция засовов; высверливания - внешняя бронепластина, закаленная стойка рейки хвостовика; вандалов - отсутствие нижней стенки корпуса замка. Замок комплектуется 4 длинными ключами.
Технические характеристики:
| Производитель | ГАРДИАН |
|---|---|
| Страна | Россия |
| Вес | 1797 г |
| Гарантия | 5 лет |
| Тип механизма секретности | Сувальдный |
| Наличие лицевой планки | С планкой |
| Вылет ригеля | 26 мм |
| Тип замка | Основной (с защелкой под ручку) |
| Размер ригеля | 15,8 мм |
| Длина ключа | 59 мм |
| Тип защелки | Реверсивная |
| Дополнительная защита | Пластина от высверливания |
| Задвижка | Есть |
|---|---|
| Бэксет (удаление ключевого отверстия) | 65 мм |
| Защита от копирования ключа | Нет |
| Количество ключей | 4 |
| Количество комбинаций | Более 1,6 млн |
| Межосевое расстояние | 77 мм |
| Класс безопасности | 4 |
| Количество ригелей | 4 |
| Наличие выводов для тяг | Нет |
| Отверстия под стяжки | Нет |
| Тип упаковки | Коробка |
Краснодар (Российская 129/1): 1 шт
Волгоград (Туркменская 32/1): 1 шт
Волжский (Ленина, 308И): 1 шт
Волжский (Пушкина, 39к11): 0 шт
