В результате модернизации серийного ассортимента специалистам МЕТТЭМ® удалось достичь следующих преимуществ:
- механизм секретности изделий стал более устойчив к манипуляционным методам вскрытия;
- модернизированная форма сувальды позволила добиться большей плавности хода изделия (smooth action);
- был изменен материал корпуса замка — оцинкованная сталь стали, покрытой порошковой краской;
- толщина корпуса замка была увеличена с 1,5 до 2 мм;
- были уменьшены размеры скважины и ключа, что привело к повышению взломостойкости механизмов;
- в замках типа ЗВ9 была изменена форма защёлки (круглого сечения с радиусным скосом по рабочей поверхности), что позволило улучшить работу данного элемента.
Обращаем ваше внимание на то, что габаритно-присоединительные размеры модернизированных моделей НЕ БЫЛИ ИЗМЕНЕНЫ по сравнению с замками предыдущего поколения.
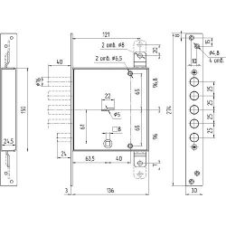
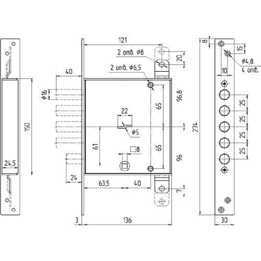
Замок запирает дверь четырьмя стальными ригелями и задвижкой. Диаметр ригелей засова и задвижки — 16 мм. Ригели выдвигаются из корпуса замка на 40 мм и 24 мм соответственно. В одном из ригелей расположен закаленный стальной стержень, обеспечивающий надежную защиту от перепиливания. При помощи данного замка дверь запирается на четыре полных оборота (возможно неполное запирание двери на два оборота), а также дополнительно изнутри — на задвижку. Кроме этого, у замка имеется привод вертикальных тяг, что обеспечивает дополнительную защиту двери от несанкционированного вскрытия.
Модели ЗВ8 142.1.0/ЗВ8 142.1.1 снабжены съемной лицевой планкой, сделанной из стали.
Замки ЗВ8 142.1.0/ЗВ8 142.1.1 комплектуются пятью латунными ключами и декоративными накладками (нерж.сталь).
Обращаем ваше внимание на то, что конструкция моделей ЗВ8 142.1.0/ЗВ8 142.1.1 не предусматривает наличие защёлки. Поэтому данные замки рекомендуются в качестве второго запирающего устройства в двери.
Для ЗВ8 142.1.0/ЗВ8 142.1.1 можно дополнительно заказать обновлённую фурнитуру — комплект овальных накладок с подпружиненной шторкой и скрытыми креплениями (состав комплекта — декоративные накладки на сувальду, декоративные накладки на цилиндр, цвет — нерж. сталь блестящий/матовый), а также комплект квадратной фурнитуры с подпружиненной шторкой и скрытыми креплениями (состав комплекта — раздельная ручка, вертушка, декоративные накладки на сувальду, декоративные накладки на цилиндр, цвет — нерж. сталь блестящий/матовый).
Технические характеристики:
| класс ГОСТ (5089 2011, Р 52582 2006, 538 2014) | ЗВ8 142.1.0 – 3, ЗВ8 142.1.1 – 4 |
| тип крепления | врезной/вкладной |
| габаритные размеры корпуса | 150х136х24,5 мм |
| корпус | оцинкованная сталь |
| ригели | сталь, покрытие – никель |
| количество сувальд | ЗВ8 142.1.0 – 5, ЗВ8 142.1.1 – 10 |
| количество полуоборотов | 4 |
| бэксет | 63,5 мм |
| количество ригелей | 4 |
| диаметр ригелей | 16 мм |
| вылет ригелей | 40 мм |
| защёлка/задвижка/тяги | нет/да/да |
| лицевая планка | сталь, покрытие – никель |
| габаритные размеры лицевой планки | 30х274х3 мм |
| количество ключей | 5 шт. |
| длина ключа (от головки до бородки) | 50 мм (по заказу – 60 мм и 80 мм) |
| групповая упаковка | картонная коробка |
| количество в упаковке | 10 шт. |
| масса брутто упаковки | 20 кг |
| масса брутто 1 шт. | 2 кг |
| базовая комплектация | замок, комплект накладок (ЗВ8 160.040, нержавеющая сталь), ключи, паспорт, упаковка-пакет |
| дополнительная фурнитура | овальные накладки с подпружиненной шторкой (комплект накладок на сувальду и цилиндр, цвета — нерж. сталь блестящий/матовый), комплект фурнитуры с квадратными накладками с подпружиненной шторкой (ручка, вертушка, накладки на сувальду и цилиндр, цвета — нерж. сталь блестящий/матовый), запорная планка 14.2.007, тяги 04 |
| заводская гарантия | 2 года со дня продажи |
Краснодар (Российская 129/1): 0 шт
Волгоград (Туркменская 32/1): 0 шт
Волжский (Ленина, 308И): 0 шт
Волжский (Пушкина, 39к11): 0 шт
