Описание
Характеристики
Отзывы
Наличие
Описание
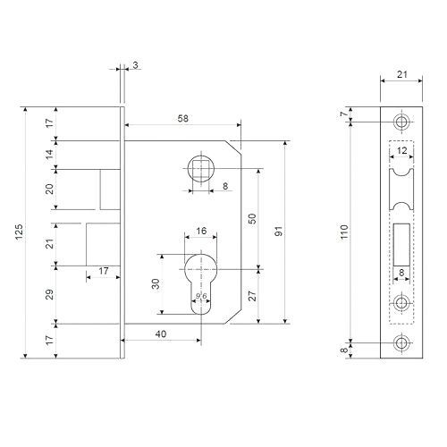
Замок врезной с ручками. Предназначен для установки в деревянные двери толщиной до 40мм, правого и левого открывания. Дверь может быть закрыта на защелку и открыта с помощью фалевой ручки при открытом засове замка. Прямоугольный ригель, вылет 16мм. Универсальная защелка. Стальной корпус, покрытие эмаль. Межосевое расстояние 50мм. Удаление ключевого отверстия 40мм. Гальваническое покрытие ручек, материал алюминий. Механизм секрета с уменьшеной высотой профиля, длина ц/м 68 мм, ключ-вертушка, 5 ключей,цвет - хром.
Характеристики
Бренд
СТАНДАРТ
Тип
Замок
Тип механизма
Цилиндровый
Тип защелки
металлическая
Тип ригелей
Прямоугольный
Тип ключа
английский
Кол-во ключей, шт
5
Кол-во ригелей
1
Способ установки
врезной
Дорнмасс/Бэксет, мм
40
Межосевое расстояние, мм
50
Материал
Сталь
Цвет
Хром
Открывание
Левое (петли слева),
Правое (петли справа)
Запирание
не автоматическое
Класс безопасности
н/д
Модель
132/50В
Единиц в одном товаре
1
Страна-изготовитель
Китай
Гарантия
1 год
Все характеристики
Отзывы
Отзывов еще никто не оставлял
Наличие
Есть в наличии:
Адыгея (Мандариновая, 14):
3
шт
Краснодар (Российская 129/1): 3 шт
Волгоград (Туркменская 32/1): 3 шт
Волжский (Ленина, 308И): 3 шт
Волжский (Пушкина, 39к11): 2 шт
Краснодар (Российская 129/1): 3 шт
Волгоград (Туркменская 32/1): 3 шт
Волжский (Ленина, 308И): 3 шт
Волжский (Пушкина, 39к11): 2 шт
Сопутствующие товары
Аналогичные товары
Ранее просмотренные
