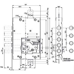
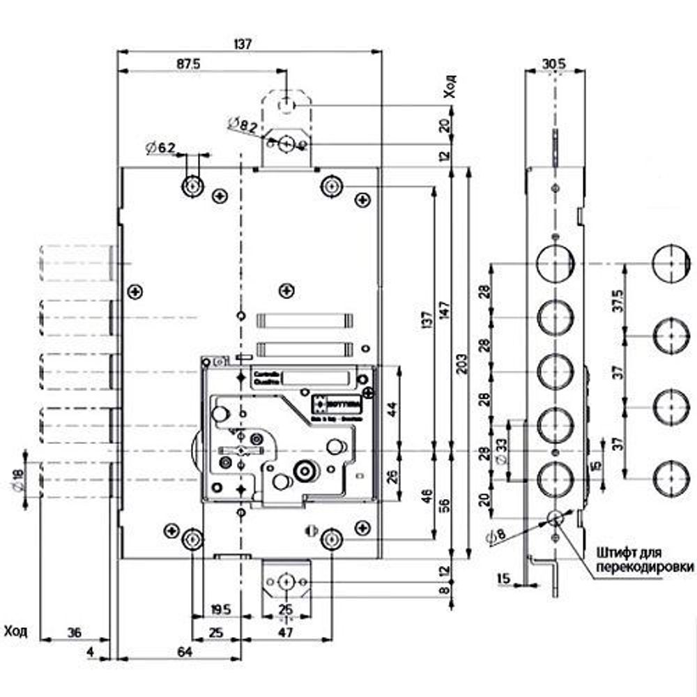
Замок врезной сувальдный 52.J525M My Key S с тремя точками запирания без защелки предназначен для левосторонних металлических дверей. Это более усовершенствованная модель: нуклео больше не выступает над поверхностью и не требует под себя «окно» в двери. Замок оснащен взаимозаменяемой нуклео, кодирование нуклео осуществляется при помощи специального ключа. Наличие на ключе системы My Key подвижных вращающихся элементов предотвращает незаконное изготовление дубликатов ключей. Копии таких ключей можно изготовить только в авторизованных центрах Mottura Club при предъявлении оригинального ключа и карточки владельца. Бэксет 66 мм. Круглые ригели диаметром 18 мм с ходом 36 мм. Ход тяг 20 мм. В комплект замка входят: 1 нуклео с 5 сувальдными ключами 60 мм в герметичной упаковке, 1 внутренняя накладка, 1 наружная накладка.
Технические характеристики:
| Производитель | MOTTURA |
|---|---|
| Страна | Италия |
| Вес | 2750 г |
| Гарантия | 2 года |
| Бэксет (удаление ключевого отверстия) | 66 мм |
| Вылет ригеля | 36 мм |
| Диаметр ригеля | 18 мм |
| Длина ключа | 60 мм |
| Дополнительная защита | Отсечная шайба |
| Задвижка | Нет |
| Защита от копирования ключа | Да |
| Класс безопасности | 4 |
| Количество ключей | 5+1 (монтажный) |
|---|---|
| Количество комбинаций | - |
| Количество ригелей | 5 |
| Межосевое расстояние | - |
| Наличие выводов для тяг | Да |
| Наличие лицевой планки | Со съемной планкой |
| Отверстия под стяжки | Нет |
| Тип замка | Дополнительный (верхний) |
| Тип защелки | |
| Тип механизма секретности | Сувальдный с перекодировкой |
| Тип упаковки | Коробка |
| Цвет | Никель |
Краснодар (Российская 129/1): 0 шт
Волгоград (Туркменская 32/1): 0 шт
Волжский (Ленина, 308И): 0 шт
Волжский (Пушкина, 39к11): 0 шт
