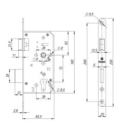
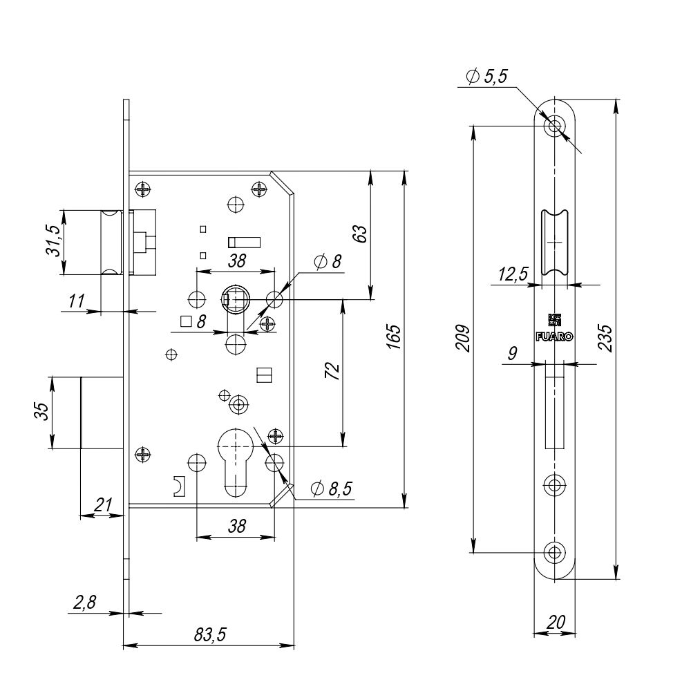
Замок (INOX) под ЦМ, 55/20/72 предназначен для установки на деревянные и лёгкие металлические двери. Наиболее часто применяется в крупных проектах: гостиницах, больницах, аэропортах, фитнес-залах, бассейнах, МОП жилых домов и других объектах. Изготовлен из нержавеющей стали, может использоваться во влажных помещениях, учреждениях с дополнительной санитарной обработкой, в противопожарных дверях.
Лицевая, ответная планка, ригеля и крепеж: нержавеющая сталь INOX 201.
Защёлка: INOX 304.
Корпус замка: оцинкованная сталь.
Бексет: 55 мм, лицевая планка 20 мм, межосевое 72 мм.
Универсальная защелка, для левых и правых дверей. Вылет ригеля: 21 мм за 2 оборота.
В комплектацию входят: ответная и лицевая планка, крепеж из нержавейки, декоративные вставки под ригель и защёлку.
Краснодар (Российская 129/1): 3 шт
Волгоград (Туркменская 32/1): 1 шт
Волжский (Ленина, 308И): 1 шт
Волжский (Пушкина, 39к11): 1 шт
