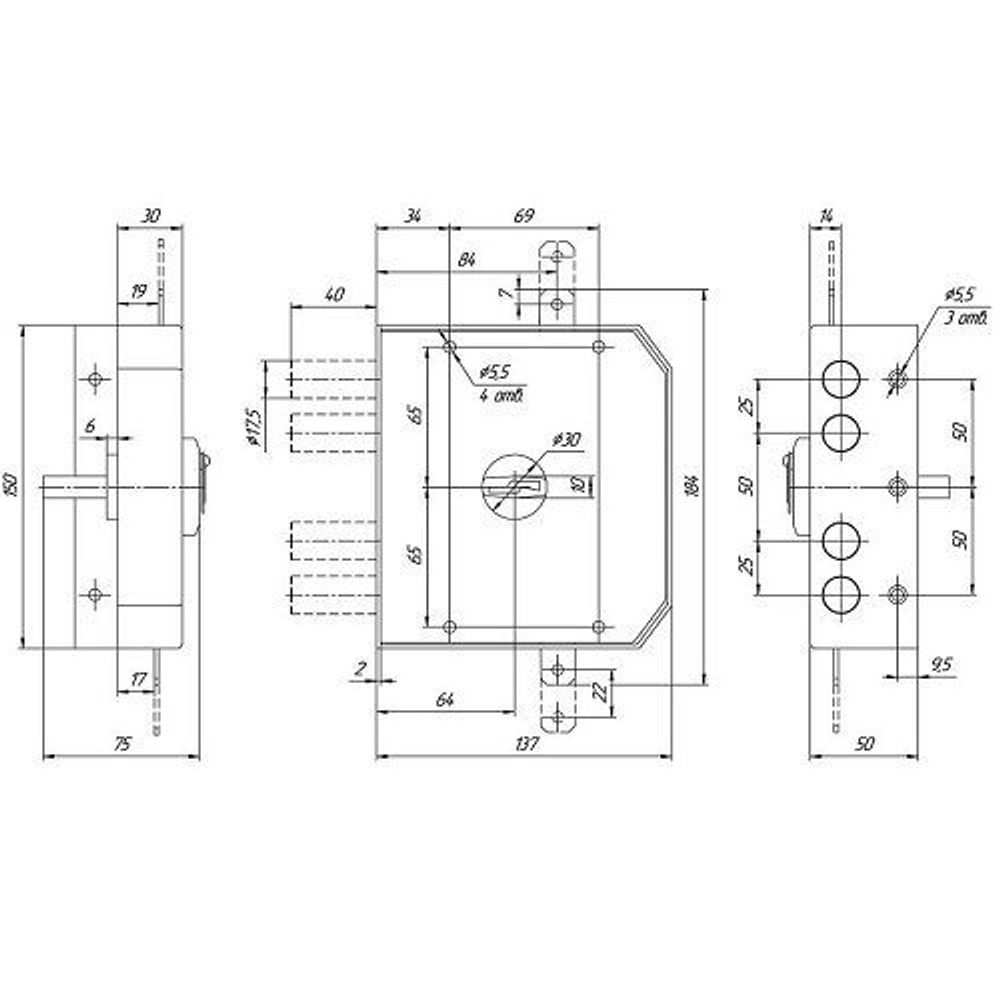
Дверные замки типа ЗН4 030.1.1 предназначены для установки во входные двери всех типов — как металлические, так и деревянные. Подходят для установки в гаражные двери.
Замок крепится с внутренней стороны двери, поэтому не ослабляет конструкцию дверного полотна. Может быть установлен собственными силами, без привлечения специалистов.
Замок запирает дверь четырьмя стальными ригелями диаметром 18 мм, которые выдвигаются из корпуса замка на 40 мм. В одном из ригелей расположен закаленный стальной стержень, обеспечивающий надёжную защиту от перепиливания. При помощи данного замка дверь запирается на четыре полных оборота (возможно неполное запирание двери на два оборота).
ЗН4 030.1.1 снабжен вертикальными тягами, которые обеспечивают дополнительное запирание двери в направлении вверх-вниз.
Габаритные размеры: 184 х 137 х 85 мм. Бэксет: 64 мм.
Краснодар (Российская 129/1): 0 шт
Волгоград (Туркменская 32/1): 0 шт
Волжский (Ленина, 308И): 0 шт
Волжский (Пушкина, 39к11): 0 шт

