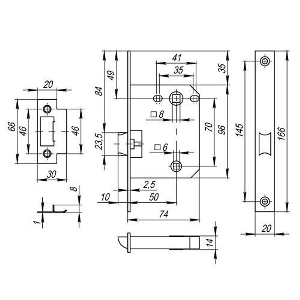
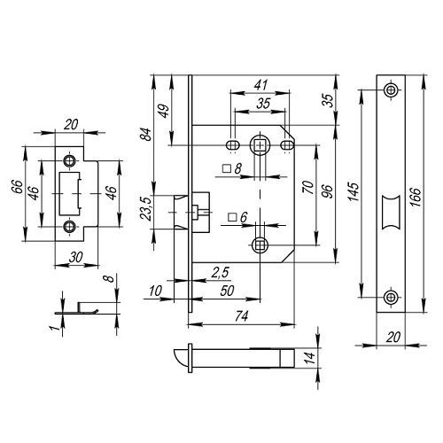
Дверная защелка с пластиковым механизмом Fuaro P72 серии PLASTIC изготовлена в соответствии с требованиями ГОСТ 5089-2003. Предназначена для установки в деревянные межкомнатные двери. Легкая смена направления язычка защелки, подходит для дверей левого и правого открывания. Корпус выполнен из стали с надежным гальваническим покрытием. Ударопрочный пластиковый механизм обеспечивает бесшумность работы защелки. Защелка P72 с усиленным блоком пружин имеет высший 4 класс надежности (250 000 циклов открывания/закрывания). Отверстия под стяжные винты находятся на расстоянии 35-41 мм. Размер бэксета - 50 мм. Размер межосевого расстояния - 70 мм. Возможна установка дверных ручек на стяжные винты для более прочного крепления. Цвет: хром. В комплектацию входят: ответная планка с декоративной вставкой и крепежная фурнитура в цвет изделия.
Технические характеристики:
| Производитель | FUARO |
|---|---|
| Страна | Китай |
| Вес | 300 г |
| Гарантия | 1 год |
| Тип механизма защелки | Классическая защелка |
| Дополнительная фиксация | Поворотной ручкой |
| Тип защелки | Универсальная |
| Цвет лицевой планки | Хром |
| Удаление квадрата под ручку | 50 мм |
|---|---|
| Межосевое расстояние | 70 мм |
| Лицевая планка | Прямоугольная |
| Ответная планка | Есть |
| Размер сечения квадрата ручки | 8 мм |
| Размер сечения квадрата фиксатора | 6 мм |
| Материал защелки | Пластиковая защелка |
Краснодар (Российская 129/1): 5 шт
Волгоград (Туркменская 32/1): 5 шт
Волжский (Ленина, 308И): 3 шт
Волжский (Пушкина, 39к11): 4 шт

