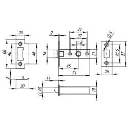
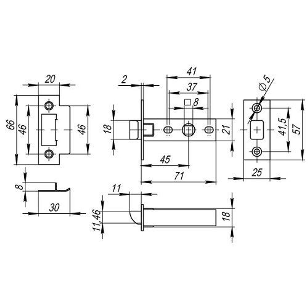
Дверная защелка с пластиковым механизмом Fuaro P12 серии PLASTIC изготовлена в соответствии с требованиями ГОСТ 5089-2003. Предназначена для установки в деревянные межкомнатные двери. Корпус выполнен из стали с надежным гальваническим покрытием. Защелка легко устанавливается, подходит для дверей левого и правого открывания. Ударопрочный пластиковый механизм обеспечивает бесшумность работы защелки. Защелка P12 с усиленной пружиной имеет высший 4 класс надежности (250 000 циклов открывания/закрывания). Отверстия под стяжные винты находятся на расстоянии 37-41 мм. Размер бэксет - 45 мм. Возможна установка дверных ручек на стяжные винты для более прочного крепления. Цвет: белый. В комплектацию входят: ответная планка с декоративной вставкой и крепежная фурнитура в цвет изделия.
Краснодар (Российская 129/1): 9 шт
Волгоград (Туркменская 32/1): 7 шт
Волжский (Ленина, 308И): 6 шт
Волжский (Пушкина, 39к11): 0 шт
