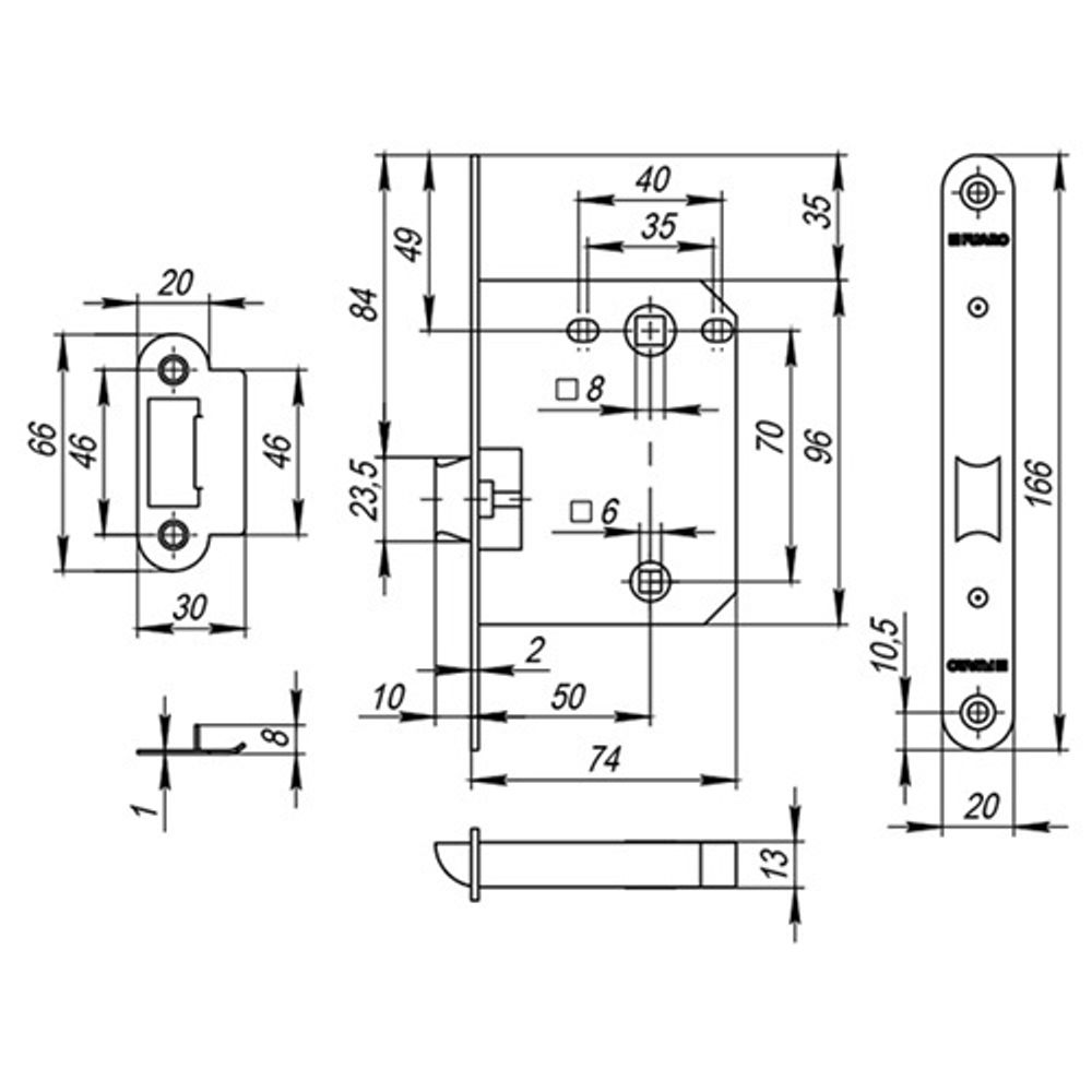
Дверная защелка с пластиковым механизмом Fuaro P82 серии PLASTIC изготовлена в соответствии с требованиями ГОСТ 5089-2003. Лицевая и ответная планка имеют форму удобную для установки с помощью фрезы. Предназначена для установки в деревянные межкомнатные двери. Легкая смена направления язычка защелки, подходит для дверей левого и правого открывания. Корпус выполнен из стали с надежным гальваническим покрытием. Ударопрочный пластиковый механизм обеспечивает бесшумность работы защелки. Защелка P82 с усиленным блоком пружин имеет высший 4 класс надежности (250 000 циклов открывания/закрывания). Отверстия под стяжные винты находятся на расстоянии 35-41 мм. Размер бэксета - 50 мм. Размер межосевого расстояния - 70 мм. Возможна установка дверных ручек на стяжные винты для более прочного крепления. Цвет: хром. В комплектацию входят: ответная планка с декоративной вставкой и крепежная фурнитура в цвет изделия.
Краснодар (Российская 129/1): 0 шт
Волгоград (Туркменская 32/1): 0 шт
Волжский (Ленина, 308И): 0 шт
Волжский (Пушкина, 39к11): 0 шт
