Замок рекомендован для ПВЗ Wildberries. Врезной электромеханический Полис 20Б оснащен цилиндровым механизмом для механического открывания снаружи и изнутри. Предназначен для надежного запирания дверей, ворот и калиток с возможностью их дистанционного открывания, в том числе для работы совместно с аудио, видеодомофонами и кодовыми панелями. Улучшенная система автоматического взвода замка обеспечивает уменьшенное и постоянное усилие взвода замка, что позволяет использовать его совместно с доводчиком двери. Механическая задержка вылета засовов исключает ситуацию, когда выходящие из замка засовы препятствуют закрыванию двери. Переворотный кулачок позволяет устанавливать замок как на правую, так и на левую дверь. Полис 20Б оснащен опцией блокировки от закрывания.
Технические характеристики:
- Тип замка: Электромеханический
- Производитель: Витек
- Блокировка кнопки открытия: Есть
- Встроенный контроллер: Нет
- Датчик положения двери: Нет
- Открытие/закрытие замка: Управление импульсом
- Ручное открытие изнутри: Ключ
- Ручное открытие снаружи: Ключ
- Тип монтажа: Врезной
- Тип питания: 12 В
- Установка на стеклянную дверь: Нет
-
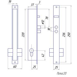
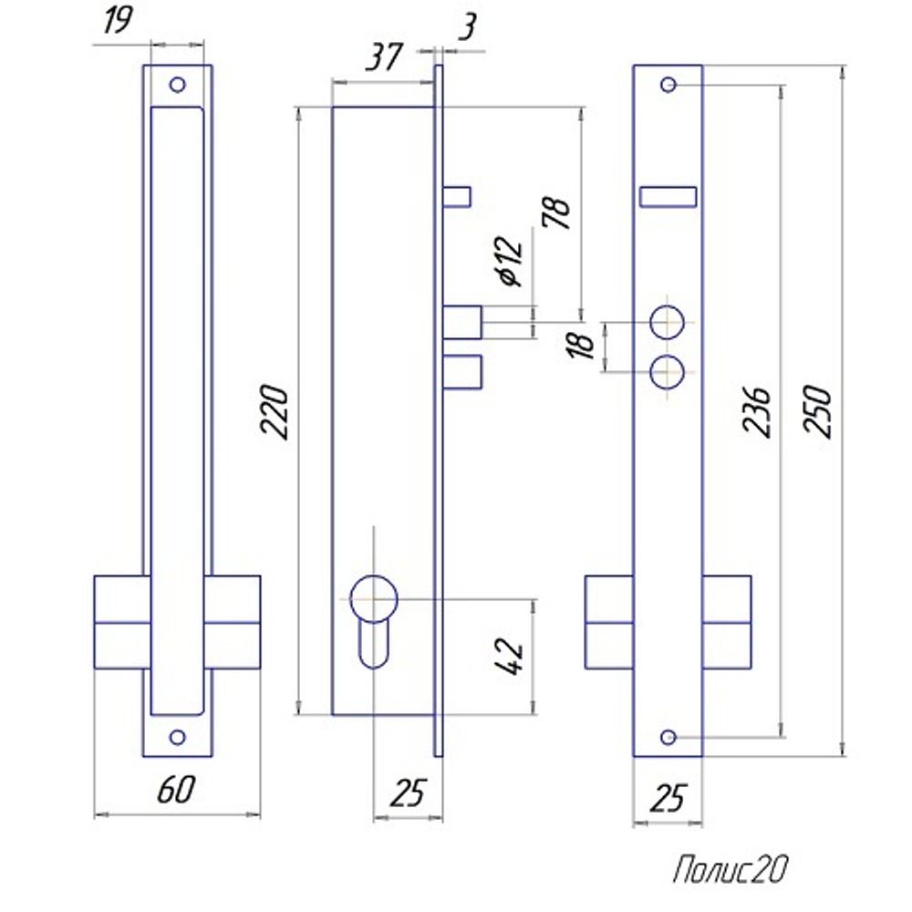
Габаритные размеры, мм 220 х 37 х 19 мм
Краснодар (Российская 129/1): 29 шт
Волгоград (Туркменская 32/1): 2 шт
Волжский (Ленина, 308И): 1 шт
Волжский (Пушкина, 39к11): 1 шт

