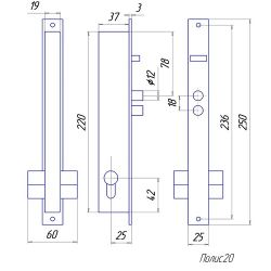
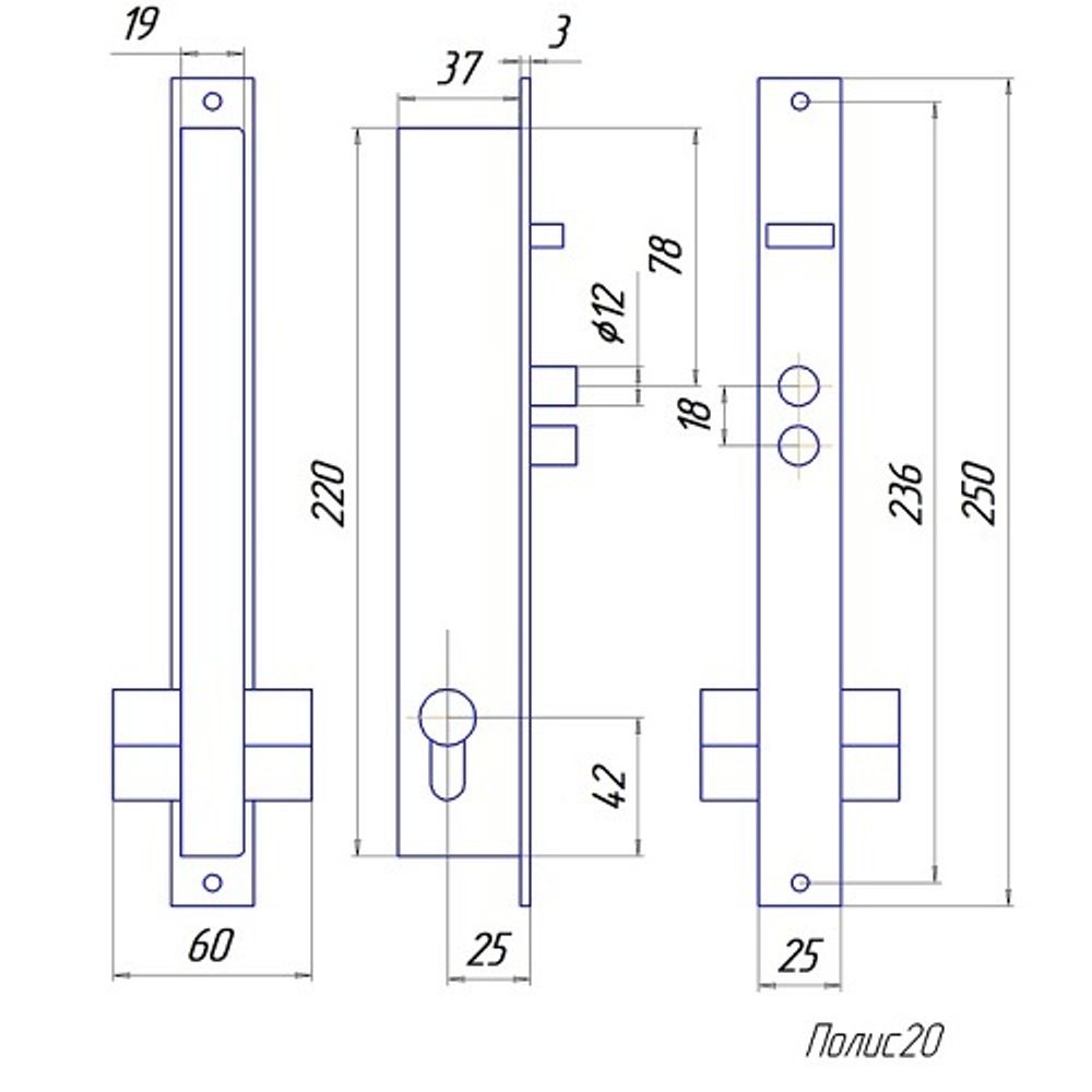
Замок электромеханический врезной, узкий, вертикальный
НАЗНАЧЕНИЕ:
Электромеханический замок ПОЛИС предназначен для надёжного запирания дверей, ворот и калиток с возможностью их дистанционного открывания, в том числе для работы совместно с аудио, видеодомофонами и системами контроля доступа.
ОСОБЕННОСТИ:
Врезной, узкий, вертикальный, универсальный. Снаружи открывается ключом. Три засова. Переворот взводного кулачка. Задержка выхода засовов при взводе кулачка
КОМПЛЕКТАЦИЯ:
- замок электромеханический
- цилиндровый механизм
- ключи
- паспорт
- накладка на цилиндровый механизм - 2шт
- запорная планка
ТЕХНИЧЕСКИЕ ХАРАКТЕРИСТИКИ:
Напряжение питания: 12 B
Ток потребления (при 12 В): не более 0.8 А
Тип установки: Врезная
Сторона открывания двери: Любая (универсальный замок)
Габаритные размеры: 220х37х19 мм
Диапазон рабочих температур: -40…+60 °С
Краснодар (Российская 129/1): 0 шт
Волгоград (Туркменская 32/1): 0 шт
Волжский (Ленина, 308И): 0 шт
Волжский (Пушкина, 39к11): 0 шт
