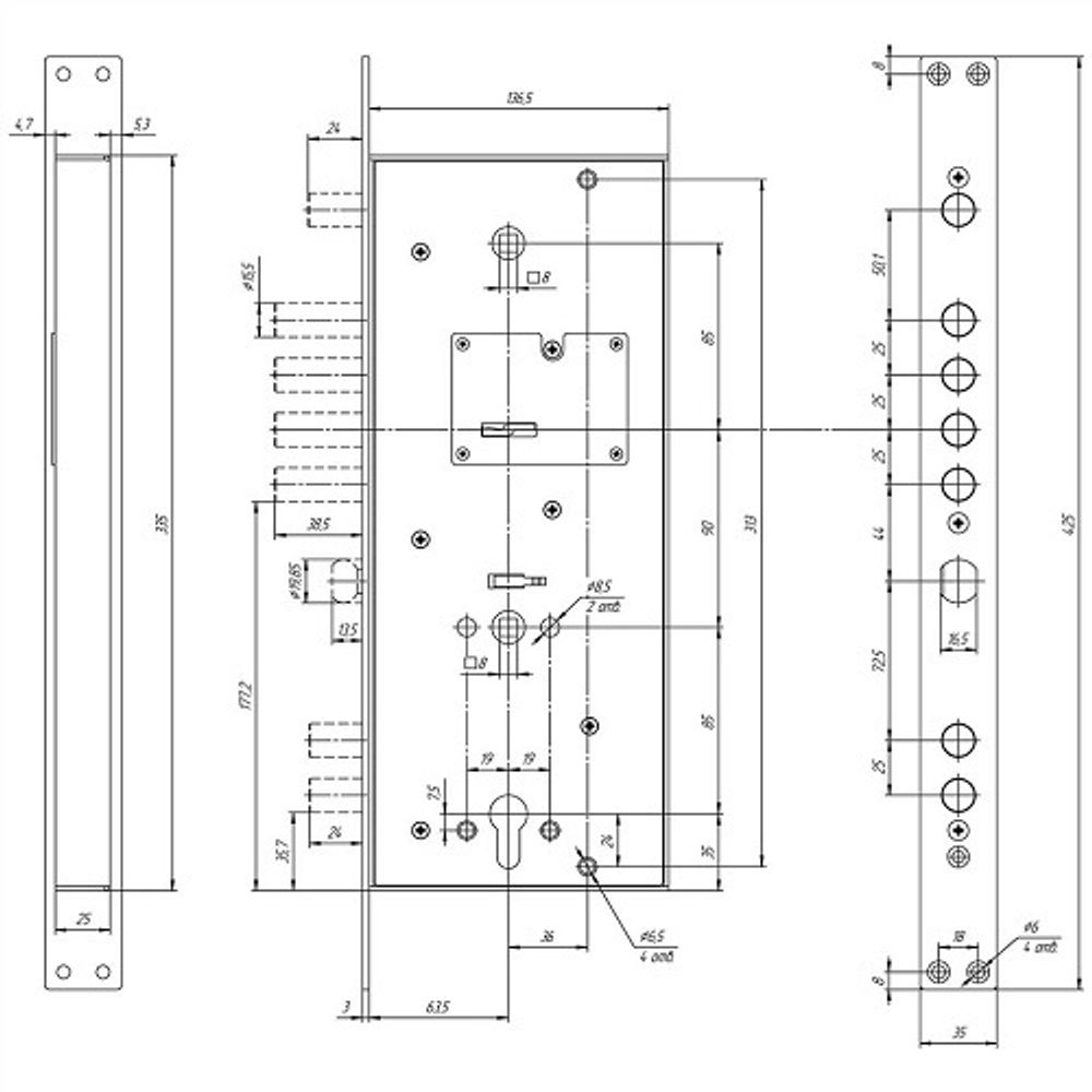
Врезной комбинированный замок Меттэм ЗВ13 374.0.1 с отсечными пластинами (с двух сторон) на сувальдном механизме. Сертифицирован в соответствии с 4-м, самым высоким классом ГОСТ 5089-2011, Р 52582. Для соответствия классу замок должен эксплуатироваться с цилиндровым механизмом 4-го класса ГОСТ, а также с броненакладкой.
Универсальный врезной комбинированный замок с защелкой и задвижкой, снабжен запатентованным устройством блокировки ключевого отверстия (защитные пластины). Особенность защитных пластин МЕТТЭМ заключается в том, что они не берутся из комплекта сувальд, а ставятся отдельно по краям комплекта. Таким образом, защитные пластины не уменьшают секретность сувальдного механизма замка.
Защитные пластины блокируют ключевую скважину с обеих сторон замка, что позволяет устанавливать его на двери правого и левого открывания.
Замок объединяет два механизма в одном корпусе: сувальдный и цилиндровый.
Сувальдный механизм дополнительно укреплен защитной пластиной из марганцевой стали толщиной 2 мм.
Краснодар (Российская 129/1): 0 шт
Волгоград (Туркменская 32/1): 1 шт
Волжский (Ленина, 308И): 1 шт
Волжский (Пушкина, 39к11): 0 шт
