Описание
Характеристики
Отзывы
Наличие
Описание
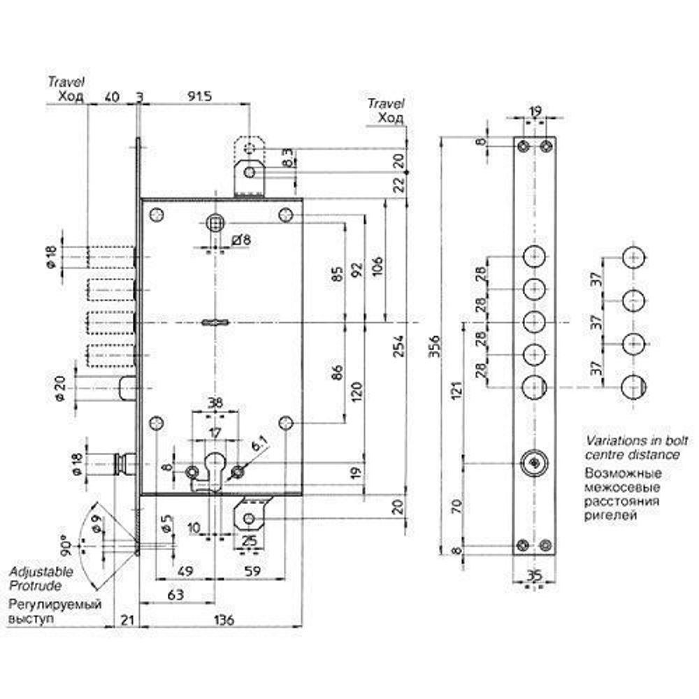
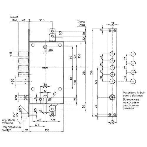
Mottura 54.K787 S - Замок перекодируемый для левых дверей, врезной, двухсистемный с задвижкой и защелкой.
Смена кода осуществляется заменой нуклео. К примеру, вы потеряли ключ или передавали ключи ремонтной бригаде.
Вам не нужно менять замок полностью, достаточно элементарно сменить нуклео с набором ключей- и ваше помещение снова в безопасности.
Mottura - компания производитель премиальных итальянских замков.
Технические характеристики:
| Производитель | MOTTURA |
|---|---|
| Страна | Италия |
| Вес | 3641 г |
| Гарантия | 2 года |
| Бэксет (удаление ключевого отверстия) | 63 мм |
| Вылет ригеля | 36 мм |
| Диаметр ригеля | 18 мм |
| Длина ключа | 40 мм |
| Дополнительная защита | Отсечная шайба |
| Задвижка | Нет |
| Защита от копирования ключа | Да |
| Класс безопасности | 4 |
| Количество ключей | 5+1 (монтажный) |
|---|---|
| Количество комбинаций | - |
| Количество ригелей | 5 |
| Межосевое расстояние | 85 мм |
| Наличие выводов для тяг | Да |
| Наличие лицевой планки | Со съемной планкой |
| Отверстия под стяжки | Нет |
| Тип замка | Основной (с защелкой под ручку) |
| Тип защелки | Левая |
| Тип механизма секретности | Двухсистемный с перекодировкой |
| Тип упаковки | Коробка |
| Цвет | Никель |
Характеристики
Бренд
MOTTURA
Тип
Замок
Тип механизма
Комбинированный
Тип защелки
металлическая
Тип ригелей
Круглый
Тип ключа
без ц/м
Кол-во ключей, шт
5
Кол-во ригелей
4+1
Способ установки
врезной
Материал
Сталь
Цвет
Никель
Открывание
Левое (петли слева)
Запирание
не автоматическое
Класс безопасности
н/д
Единиц в одном товаре
1
Страна-изготовитель
Италия
Гарантия
1 год
Все характеристики
Отзывы
Отзывов еще никто не оставлял
Наличие
Есть в наличии:
Адыгея (Мандариновая, 14):
0
шт
Краснодар (Российская 129/1): 0 шт
Волгоград (Туркменская 32/1): 0 шт
Волжский (Ленина, 308И): 0 шт
Волжский (Пушкина, 39к11): 0 шт
Краснодар (Российская 129/1): 0 шт
Волгоград (Туркменская 32/1): 0 шт
Волжский (Ленина, 308И): 0 шт
Волжский (Пушкина, 39к11): 0 шт
Сопутствующие товары
Ранее просмотренные
