Описание
    
  
      
      
        
  
    
    Характеристики
    
  
      
      
        
  
    
    
        Отзывы
        
    
    
  
      
      
        
      
        
      
      
          
            
            Наличие
            
          
    
    
    Описание
    
  
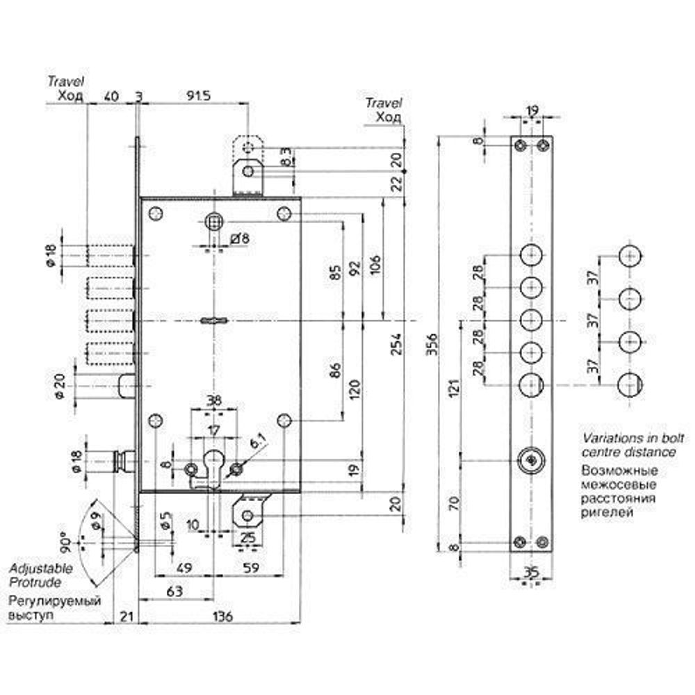
        Mottura 54.K787 S - Замок перекодируемый для правых дверей, врезной, двухсистемный с задвижкой и защелкой. Смена кода осуществляется заменой нуклео. К примеру, вы потеряли ключ или передавали ключи ремонтной бригаде. Вам не нужно менять замок полностью, достаточно элементарно сменить нуклео с набором ключей- и ваше помещение снова в безопасности. Mottura - компания производитель премиальных итальянских замков.
Технические характеристики:
| Производитель | MOTTURA | 
|---|---|
| Страна | Италия | 
| Вес | 3608 г | 
| Гарантия | 2 года | 
| Бэксет (удаление ключевого отверстия) | 63 мм | 
| Вылет ригеля | 36 мм | 
| Диаметр ригеля | 18 мм | 
| Длина ключа | 40 мм | 
| Дополнительная защита | - | 
| Задвижка | Нет | 
| Защита от копирования ключа | Нет | 
| Класс безопасности | 4 | 
| Количество ключей | 5 | 
|---|---|
| Количество комбинаций | - | 
| Количество ригелей | 5 | 
| Межосевое расстояние | 85 мм | 
| Наличие выводов для тяг | Да | 
| Наличие лицевой планки | Со съемной планкой | 
| Отверстия под стяжки | Нет | 
| Тип замка | Основной (с защелкой под ручку) | 
| Тип защелки | Правая | 
| Тип механизма секретности | Двухсистемный с перекодировкой | 
| Тип упаковки | Коробка | 
| Цвет | Никель | 
    
    Характеристики
    
  
        Бренд
                    
                    
                      
                        MOTTURA
                      
                    
                  Тип
                    
                    
                      
                        Замок
                      
                    
                  Тип механизма
                    
                    
                      
                        Комбинированный
                      
                    
                  Тип защелки
                    
                    
                      
                        металлическая
                      
                    
                  Тип ригелей
                    
                    
                      
                        Круглый
                      
                    
                  Тип ключа
                    
                    
                      
                        без ц/м
                      
                    
                  Кол-во ключей, шт
                    
                    
                      
                        5
                      
                    
                  Кол-во ригелей
                    
                    
                      
                        4+1
                      
                    
                  Способ установки
                    
                    
                      
                        врезной
                      
                    
                  Материал
                    
                    
                      
                        Сталь
                      
                    
                  Цвет
                    
                    
                      
                        Никель
                      
                    
                  Открывание
                    
                    
                      
                        Правое (петли справа)
                      
                    
                  Запирание
                    
                    
                      
                        не автоматическое
                      
                    
                  Класс безопасности
                    
                    
                      
                        н/д
                      
                    
                  Единиц в одном товаре
                    
                    
                      
                        1
                      
                    
                  Страна-изготовитель
                    
                    
                      
                        Италия
                      
                    
                  Гарантия
                    
                    
                      
                        1 год
                      
                    
                  
              Все характеристики
            
            
          
    
    
        Отзывы
        
    
    
  
        Отзывов еще никто не оставлял
                
              
        
        Наличие
        
      
      Есть в наличии:
            
              
                
                  
                  
                    Адыгея (Мандариновая, 14):
                    
                      0
                      шт
                    
Краснодар (Российская 129/1): 0 шт
Волгоград (Туркменская 32/1): 0 шт
Волжский (Ленина, 308И): 0 шт
Волжский (Пушкина, 39к11): 0 шт
                  
                
              
            
          Краснодар (Российская 129/1): 0 шт
Волгоград (Туркменская 32/1): 0 шт
Волжский (Ленина, 308И): 0 шт
Волжский (Пушкина, 39к11): 0 шт
Сопутствующие товары
      Ранее просмотренные
      
       
     
                           
                           
                           
                           
                           
                           
                           
                           
                           
                           
                           
                          