Скрытая петля CL 248 — профессиональное решение для монтажа дверей и панелей промышленного оборудования. Изготовлена из нержавеющей стали AISI 304 с покрытием "белый хром", что обеспечивает коррозионную стойкость и долговечность. Петля не видна после установки, обеспечивая эстетичный внешний вид и защиту от внешних воздействий. Идеально подходит для электротехнических шкафов, серверных стоек, систем вентиляции и другого промышленного оборудования.
Скрытый монтаж: После установки петля не видна с лицевой стороны. Дверца или панель выглядит как монолитная конструкция, что улучшает внешний вид и защищает механизм от пыли, грязи и вандализма.
Материал: Нержавеющая сталь. Это обеспечивает: Высокую коррозионную стойкость. Петля подходит для использования в условиях повышенной влажности, на улице или в агрессивных средах (например, в системах вентиляции и кондиционирования).
Прочность и долговечность: Выдерживает значительные нагрузки и интенсивную эксплуатацию. Не ржавеет и не деформируется со временем.
Цветовое покрытие: Белый хром. Универсальный цвет, который хорошо сочетается с большинством современных приборов и шкафов белого, серого или металлического цвета.
Универсальность применения: Модель специально разработана для широкого спектра промышленного и электротехнического оборудования.
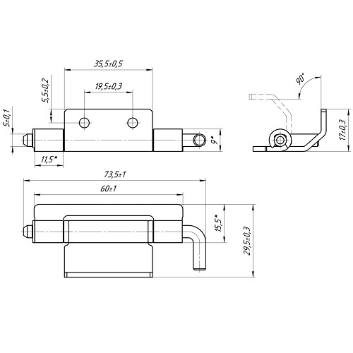
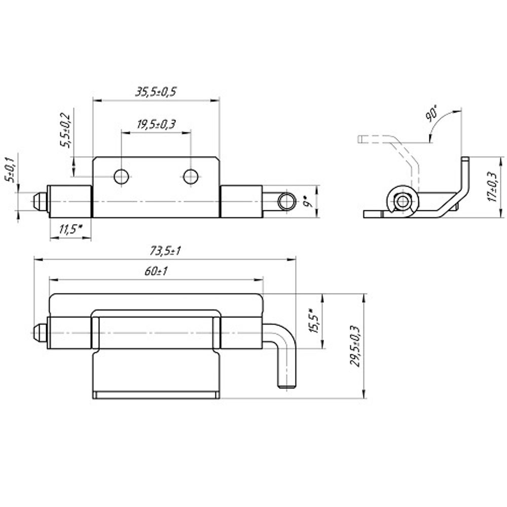
В комплект входит: Основная часть, ответная часть, ось, стопорное кольцо
Сфера применения:
Электротехнические шкафы и распределительные устройства. Компьютерные и серверные стойки. Генераторы и компрессоры (дверцы для обслуживания). Системы вентиляции и устройства воздушного кондиционирования (доступ к фильтрам и механизмам). Промышленное оборудование (станки, контрольные панели, шкафы управления). Металлические двери и съемные панели различных типов.
Краснодар (Российская 129/1): 0 шт
Волгоград (Туркменская 32/1): 0 шт
Волжский (Ленина, 308И): 0 шт
Волжский (Пушкина, 39к11): 0 шт
