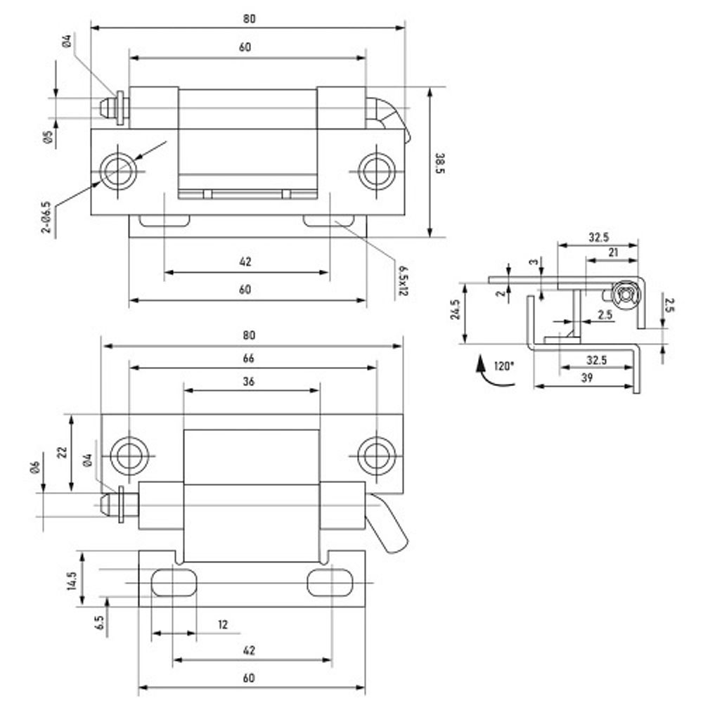
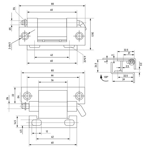
Петля потайная 372V2 — профессиональное решение для монтажа дверей и панелей промышленного оборудования. Изготовлена из стали с покрытием порошковой краски, что обеспечивает коррозионную стойкость и долговечность. Петля разборная, состит из 3-х частей, фиксируется стопорной резиной.
Обладает усиленной конструкцией и углом открывания 120°, обеспечивающий удобный доступ. Для дверей с изгибом от 20 мм до 24 мм
Особенности петли:
Простота установки, надежность конструкции.
Долговечность: Сохраняет свои механические свойства в течение длительного срока службы.
Прочность: Устойчива к механическим повреждениям и деформации.
Сфера применения:
Электротехнические шкафы и распределительные устройства.
Компьютерные и серверные стойки.
Генераторы и компрессоры (дверцы для обслуживания).
Системы вентиляции и устройства воздушного кондиционирования (доступ к фильтрам и механизмам).
Промышленное оборудование (станки, контрольные панели, шкафы управления).
Металлические двери и съемные панели различных типов.
Краснодар (Российская 129/1): 0 шт
Волгоград (Туркменская 32/1): 0 шт
Волжский (Ленина, 308И): 0 шт
Волжский (Пушкина, 39к11): 0 шт
