Петля боковая JL1061-1 — профессиональное решение для монтажа дверей и панелей промышленного оборудования. Изготовлена из ЦАМа с покрытием порошковой черной краской, что обеспечивает коррозионную стойкость и долговечность. Петля видна с боку, что обеспечивая эстетичный внешний вид. Идеально подходит для электротехнических шкафов, серверных стоек, систем вентиляции и другого промышленного оборудования.
Особенности петли:
Боковой монтаж: После установки петля видна с лицевой стороны.
Цветовое покрытие: порошковая краска черного цвета. Цвет, который хорошо сочетается с большинством современных приборов и шкафов черно, серого или металлического цвета.
Универсальность применения: Модель специально разработана для широкого спектра промышленного и электротехнического оборудования.
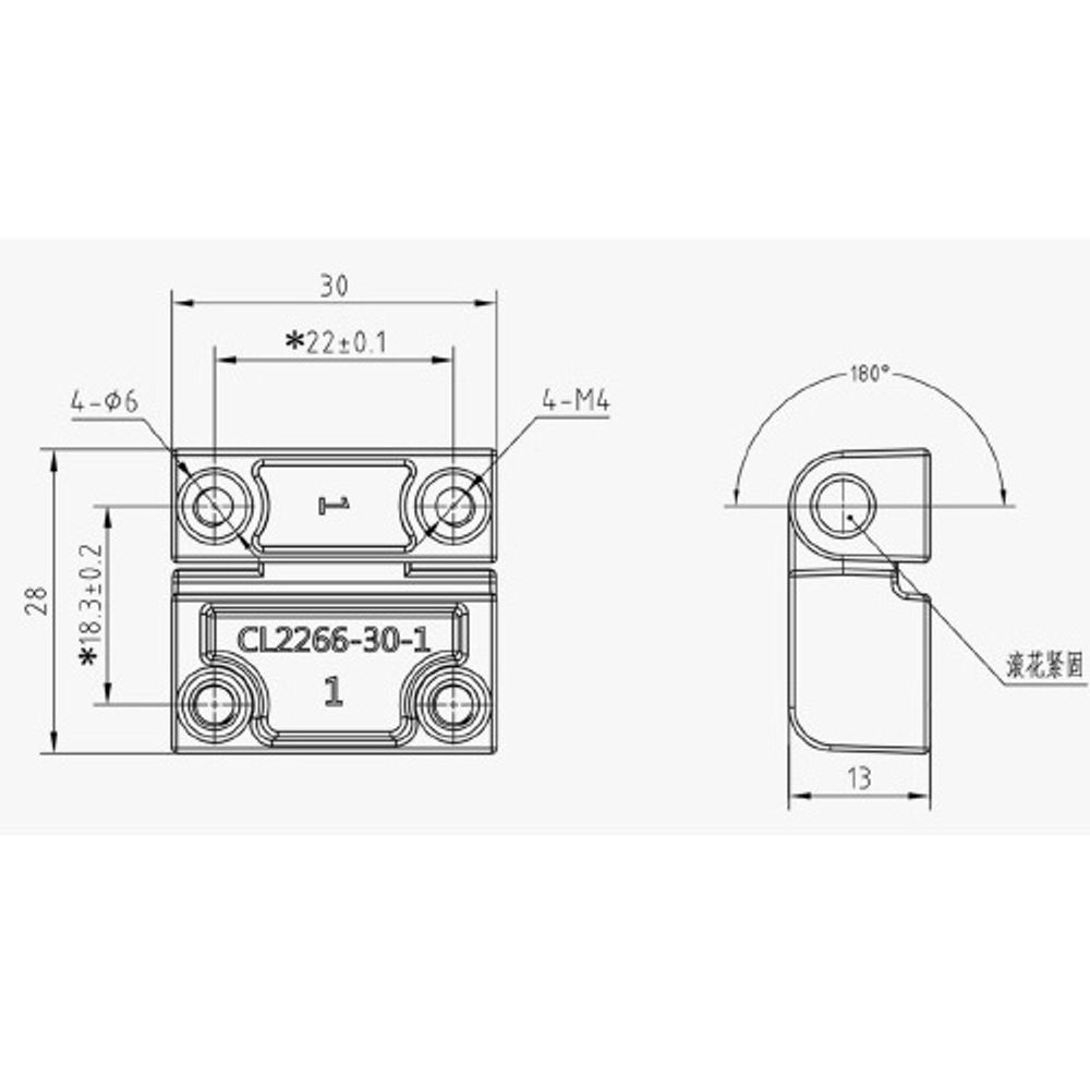
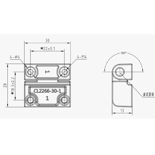
Размеры:
Размер петли 30х28
Размер межосевого отверстия 18х22
Размер отверстия М 4
Угол открывания 180°
Сфера применения:
• Электрощитовое оборудование
•Серверные стойки
•Силовые агрегаты
•Вентиляционные системы
•Промышленные станки
•Металлоконструкции
•Технические шкафы
•Распределительные устройства
•Трансформаторные панели
•Электротехнические корпуса
Винты в комплект не входят!
Краснодар (Российская 129/1): 0 шт
Волгоград (Туркменская 32/1): 0 шт
Волжский (Ленина, 308И): 0 шт
Волжский (Пушкина, 39к11): 0 шт
