Описание
Характеристики
Отзывы
Наличие
Описание
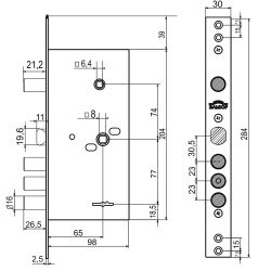
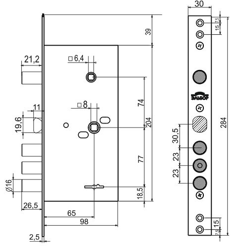
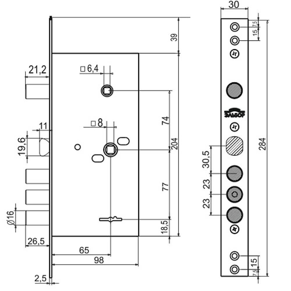
Взломостойкий замок Эльбор Лазурит. Высший четвертый класс защиты по ГОСТ 5089-2003.
Замок врезной сувальдный с защелкой под ручку предназначен для установки в деревянные и металлические двери правого и левого открывания. Имеет встроенную задвижку (ночник) для внутреннего запирания. Защелка реверсивная, переворачивается без разбора замка. Оснащен тремя цилиндрическими выдвигающимися ригелями.
Замок врезной сувальдный с защелкой под ручку предназначен для установки в деревянные и металлические двери правого и левого открывания. Имеет встроенную задвижку (ночник) для внутреннего запирания. Защелка реверсивная, переворачивается без разбора замка. Оснащен тремя цилиндрическими выдвигающимися ригелями.
В комплекте: Замок врезной - 1 шт., ключ - 5 шт., крепежный комплект - 1 шт., руководство по эксплуатации - 1 шт.
Характеристики
Бренд
ЭЛЬБОР
Тип
Замок
Тип механизма
Сувальдный
Тип защелки
металлическая
Тип ригелей
Круглый
Тип ключа
сувальдный
Кол-во ключей, шт
5
Кол-во ригелей
3
Способ установки
врезной
Дорнмасс/Бэксет, мм
67.5
Межосевое расстояние, мм
77
Материал
Сталь
Цвет
Никель
Открывание
Левое (петли слева),
Правое (петли справа)
Запирание
не автоматическое
Класс безопасности
4
Единиц в одном товаре
1
Страна-изготовитель
Россия
Гарантия
1 год
Все характеристики
Отзывы
Отзывов еще никто не оставлял
Наличие
Есть в наличии:
Адыгея (Мандариновая, 14):
0
шт
Краснодар (Российская 129/1): 0 шт
Волгоград (Туркменская 32/1): 0 шт
Волжский (Ленина, 308И): 0 шт
Волжский (Пушкина, 39к11): 0 шт
Краснодар (Российская 129/1): 0 шт
Волгоград (Туркменская 32/1): 0 шт
Волжский (Ленина, 308И): 0 шт
Волжский (Пушкина, 39к11): 0 шт
Ранее просмотренные
